Револьвер Ле Ма (Le Mat)

Француз Жан Александр Франсуа Ле Мат (Jean Alexandre François Le Mat) родился в 1821 году.
В 1843 году он переезжает в Новый Орлеан (штат Луизиана), где как и многие другие джентльмены южных штатов был удостоен звания полковника. Ле Мат не был военным, он был обычным доктором, а так же изобретателем.
Одним из главных его изобретений стал капсюльный револьвер, который он разработал незадолго до начала Гражданской войны в Америке.
Это уникальное оружие в свое время превзошло по боевым характеристикам другие револьверы и до сих пор удивляет необычностью конструкции.

21 октября 1856 года Ле Ма получает патент под номером №15925 на свой револьвер. В 1859 году Ле Ма берет в компаньоны Пьера Гюстава Тутан де Борегара (Pierre GustaveToutant Beauregard), который во время Гражданской войны станет генералом армии Конфедератов. Несмотря на то, что военные нашли револьвер вполне приемлемым для принятия на вооружение, компаньонам не удалось получить военный заказ. В револьвер были внесены незначительные изменения, которые облегчили и упростили выполнение ремонта оружия.
10 апреля 1860 года, Борегар продал свою долю обратно Ле Ма и покинул компанию, чтобы продолжить военную карьеру. Вскоре после этого, Ле Ма начинает искать возможность производства своего револьвера за пределами Америки. Он продает три четверти компании французскому врачу Чарльзу Фредерику Жирару. Револьвер начал выпускаться во Франции. 12 августа 1861 года, Le Mat заключил контракт с правительством Конфедерации на поставку 5000 револьверов.
Револьвер Le Mat имеет немного меньший калибра, чем оружие потенциальных конкурентов Кольта, Ремингтона и других конструкторов. Применение зарядов 0,42 калибра вместо 0,44 снизило останавливающее действие пули, выпущенной из револьвера. Однако Ле Ма за счет уменьшения калибра увеличивает емкость барабана. Девятизарядный барабан, вместо обычного шестизарядного с лихвой компенсирует уменьшение мощности оружия.
Однако основным преимуществом револьвера Ле Ма стало применение второго гладкого ствола, расположенного вместо оси барабана. Данный ствол имеет 20 калибр и снаряжается зарядом картечи.
Такой заряд при коротком стволе имеет значительную зону поражения и на коротких дистанциях эффект от такого выстрела был сопоставим с действием дробовика. Револьверы Le Mat по эффективности пожалуй превосходят все ударные револьверы, используемые в гражданской войне.

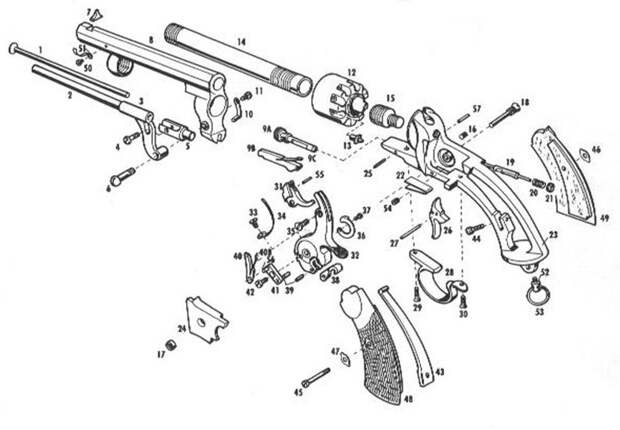
Револьвер Le Mat состоит из рамки, барабана, верхнего нарезного ствола длиной 165 мм, гладкоствольного ствола, деталей ударно-спускового и поворотного механизмов, механизма снаряжения и щечек рукоятки. Вес оружия 3,1 кг, общая длина 356 мм, начальная скорость пули 190 м/с.
Выбор для стрельбы из нарезного или гладкого стволов стрелок делал исходя из боевой ситуации. Для стрельбы из верхнего и нижнего стволов использовался один и тот же ударно-спусковой механизм одинарного действия. Стрелку достаточно было передвинуть в ту или иную сторону ударную часть курка, закрепленную на оси. В обычном положении ударная часть курка наносила удар по брандтрубкам зарядных камор барабана.
При повороте ударной части курка вниз (почти под прямым углом) курок наносил удар по брандтрубке центрального ствола с зарядом картечи.

Неполная разборка револьвера Ле Ма для чистки и снаряжения осуществляется после выкручивания винта в нижней передней части рамки.
Барабан револьвера имеет на задней стороне храповик. Со стороны брандтрубок барабан разделен перемычками, в которых выполнены круглые отверстия.
Данные отверстия предназначены для размещения штифта механизма фиксации барабана. Штифт расположен в казенной части рамки револьвера, входит в отверстие в барабане и блокирует барабан от дальнейшего вращения. Данный механизм фиксации существенно отличается от подобных устройств у револьверов Кольта, Ремнгтона, где фиксирующие выемки размещены на наружной поверхности барабана.
Щечки рукоятки револьвера Le Mat изготовлены из ореха. На поверхности щечек рукоятки наносилась ромбовидная насечка. В нижней части рукоятки размещалась петля для револьверного ремня. Конечно выпускалось оружие и в подарочном исполнении. Существуют и современные реплики Ле Ма с высокохудожественной отделкой.
Маркировка револьвера представляет собой клеймо в виде букв «LM» под звездой с правой стороны казенной части восьмигранного ствола и серийный номер. Серийные номера так же нанесены на поверхности барабана и с правой стороны рамки над спусковой скобой.
На верхней грани ствола имеется маркировочный текст в виде ручной гравировки: «Syst Le Mat Bte s-g-d-g Paris».
Несмотря на все неоспоримые достоинства револьвер Ле Ма имеет несколько серьезных недостатков. Один из недостатков — это слабый рычаг снаряжения барабана. Сам рычаг и винт, на котором он закреплен, слишком слабы и нередко деформируются при снаряжении барабана. Кроме того шомпол для снаряжения гладкоствольного ствола является отдельной деталью и расположен внутри трубчатого рычага снаряжение. Шомпол удерживается на месте только за счет трения и легко может быть потерян. Нарекание вызывает и слабый механизм блокировки барабана. Тонкий штифт не способен надежно удержать барабан, особенно в изношенном оружии.
Менее сотни револьверов LeMat, включая 25, которые попали на армейские испытания, были выпущены на предприятии Джона Крайдера (John Krider) из Филадельфии. Основная же часть оружия была изготовлена с 1856 по 1865 на заводах в Париже (Франция) и Бирмингеме (Англия). Некоторые авторы указывают, что производство так же было в Льеже (Бельгия). Из почти 2900 выпущенных револьверов, примерно 900 попали в армию Конфедерации и около 600 на флот, минуя морскую блокаду.
Револьвер Le Mat очень дорогое оружия. Нередко коллекционеры выкладывают за него сумму превышающую 30-40 тысяч долларов.
Первоисточник http://historypistols.ru/blog/kapsyulnye-pistolety-i-revolvery/revolver-le-ma-1856-g/













